|
|
|
|
|
|
|
![]()
LC LED-Q721TRLY4D: Super
Flux Red & Yellow LED (160 Degree)
LC LED 4 PIN Super Flux Red and Yellow LED 160 Degree
(Common Anode)
|
PRODUCT DESCRIPTION |
|
|
(1) RoHS and REACH
Compliant Part |
(5) Moisture &
UV Resistance Epoxy Len |
|
(2) Water Clear Flat
Len |
(6) Sun Light
Viewable LED Lamp |
|
(3) Excellent color
mixing characteristics |
(7) Rugged design
suitable for both indoor & outdoor use |
|
(4) Common Anode |
|
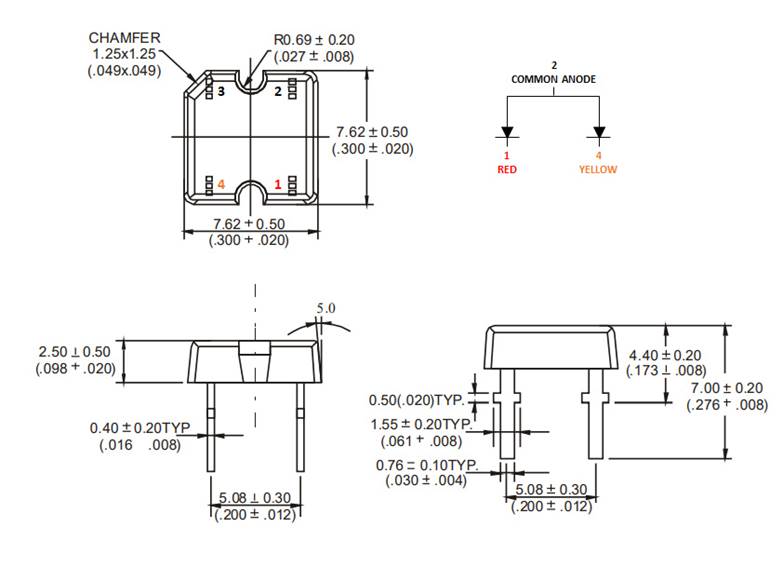
DEVICE DRAWING

Absolute Maximum Rating
(Ta = 250C)
|
PARAMETER |
SYMBOL |
MAXIMUM |
UNIT |
|
DC Forward Current (1) |
IF |
45 |
mA |
|
Peak Forward Current (1) |
IFP |
120 |
mA |
|
Average Forward Current |
IAVG |
45 |
mA |
|
Reverse Voltage |
VR |
5 |
V |
|
Operating Temperature |
Topr |
-40
to +100 |
0C |
|
Storage Temperature |
Tstg |
-40
to +100 |
0C |
(1) Pulse width of 1/10 duty and 0.1msec width,
for long operating life, max. of 20mA recommended
Electrical
and Optical Characteristics at 20mA (Ta = 250C)
|
PARAMETER |
TEST CONDITIONS |
MIN. |
TYP. |
MAX. |
Units |
|
|
Forward Voltage |
IF= 30mA |
Red |
1.8 |
|
2.2 |
V |
|
Yellow |
1.8 |
|
2.3 |
V |
||
|
Dominant |
IF= 30mA |
Red |
|
630 |
|
nm |
|
Yellow |
|
590 |
|
nm |
||
|
Reverse Current |
VR= 5V |
Red / Yellow |
|
|
10 |
mA |
|
Luminous Intensity |
IF= 30mA |
Red |
850 |
1,850 |
mcd |
|
|
Yellow |
850 |
1,850 |
mcd |
|||
|
Total Angle |
IF= 30mA |
|
|
160 |
|
Degree |
![]()
|
LC LED Corporation |